
Compressed Air Solutions(CAS)
Providing Energy Saving Solutions
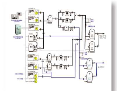
压缩空气系统能源解决方案

CAS能源管理项目
获得显著的经济效益 实现良好的社会效益
客户利益
■降低固定资产的投入风险
■优化能效,社会效益明显
■增加公司现金流
■免除停车和非计划大修的风险
■降低整个系统运行费用
■享受专业的服务
■获得高效稳定的供气系统
社会效益

GD依托百年技术经验,整合资源,通过优化设计、技术升级、优化管理等手段,构建灵活高效环保的压缩空气系统,与客户共同努力降低压缩空气系统能源成本,同时也为绿色地球做出应有贡献。

客户收益

合同能源管理
Engrgy Management Contracting.(简称EMC)

我们提供的CAS能源管理整体解决方案全面满足客户需求的同时,更为用户进一步降低能源成本、规避了所有的技术风险和资金风险,并共同分享由技术升级带来的因总能源下降而获得的资金总收益。
■先进的设计理念
■全新的运营理念
■构建高效节能环保的压缩空气系统
■专业的评估
■灵活的系统配置
■强大的技术保障体系
能源审计
通过专业的系统评估设备安装在客户现场1-2周,实时收集各项现场运行数据,包含但不限于压力、流量、功率消耗、露点、含油率、颗粒度等等。再通过专业的数据分析软件,准确获知客户实际的气体品质和流量波动情况,并结合对应的能源消耗情况,准确量化客户现有系统的节能潜力。
解决方案
通过设计节能、产品节能、应用节能、管理节能等手段优化系统,构建高效节能的压缩空气系统。包含但不限于以下方式:
