首页
公司简介
空气压缩机
工业鼓风机
空气净化设备
节能改造方案
公司动态
在线留言
联系我们
荣誉资质
企业风采
首页
返回
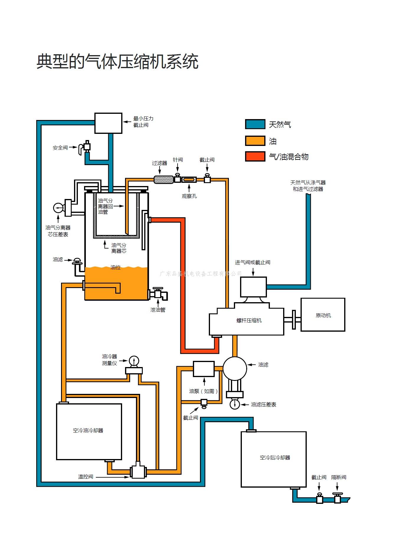
空气压缩机
SS系列螺杆式天然气压缩机
信息详细
上一页:
多功能天车专用滑片式压缩机
下一页:
涡轮增压移动式螺杆空气压缩机
电话:
0769-26260258
邮件
地图
分享
留言
广东品盛机电设备工程有限公司 版权所有
微油空压机
无油空压机